Как работают датчики с HART
16 июн 2023 в 22:34
HART – распространенный протокол в промышленности для улучшения токовой петли 4...20 мА до способности цифровой передачи. Применение данной технологии стремительно растет, и уже многие оценили достоинства интеллектуального оборудования. Протокол дает возможность транслировать одновременно аналоговый и цифровой сигнал по одной и той же паре проводов. При этом остается абсолютная совместимость и безопасность имеющихся аналоговых линий 4…20 мА.

Зачем нужен HART-протокол
Цифровая часть сигнала совершенно не воздействует на аналоговый выход датчика, – она попросту отфильтровывается (см. график).

Элементарные системы датчиков обычно передают аналоговое значение посредством токовой петли. Данная технологическая переменная обычно сопряжена с измеряемым параметром датчика, таким как температура или давление, который передается аналоговым сигналом 4...20 мА. Такого рода аналоговый сигнал может быть передан по проводу протяженностью в несколько километров, до тех пор, пока не достигнет аналоговой интерфейсной схемы, регистрирующей снижение потенциала на шунтирующем резисторе, чтобы преобразовать переданное значение сигнала датчика.
При передаче одного значения всё прекрасно функционирует. Но что, если необходимо отсылать больше сведений по двум проводам? Это станет возможно при применении датчика с HART-протоколом.
Датчик с HART-протоколом – что это?
Датчик с протоколом HART – это обыкновенный токовый датчик, у которого вдобавок токовый выход промодулирован 1200/2200 Гц. По основному токовому выходу осуществляется передача ключевого параметра (к примеру, у датчика температуры – это температура). А в данных HART могут следовать другие данные. В случае с датчиком температуры это может быть, к примеру, температура сенсора.
Прочитывать токовый выход можно на любом контроллере токового сигнала, а для выхода HART следует знать, какие характеристики станут передаваться с поддержкой HART-модема, и токовый вход модуля.
Выходной параметр в сигнале 4…20 мА примет любой контроллер или модуль, способный функционировать с токовым сигналом. Если HART необходим регулярно, в таком случае необходимо искать контроллер с поддержкой HART. Если же речь идет про нерегулярную настройку устройств, то стандартное подключение к контроллеру осуществляется по петле 4…20 мА, но следует иметь при себе HART-коммуникатор, который подключается к данной петле, и согласно этому самому HART дает возможность контактировать с датчиком. Приём сигнала о параметре и настройка датчика осуществляется с помощью HART-модема (например, ноутбук с HART-модемом) или HART-коммуникатора.
Как правило, аналоговые или цифровые вторичные приборы могут только лишь измерять и отображать входной сигнал от датчика, но не уведомляют о его состоянии. HART-коммуникатор способен не только показывать определяемый параметр, но и демонстрировать статус устройства, а также выводить диагностические предупреждения измеряемых величин:
· Ток на выходе датчика, как в миллиамперах, так и в процентах.
· Изменять основные характеристики конфигурирования.
· Данные об изготовителе.
Подключение устройств и плюсы протокола HART
Как HART-коммуникатор распознает, с каким типом датчика он функционирует, и как данный датчик настраивать? Для этого в коммуникаторе имеется база драйверов совместимых устройств. При подсоединении к устройству HART передающий механизм распознает и загружает из собственной базы нужный драйвер прибора.

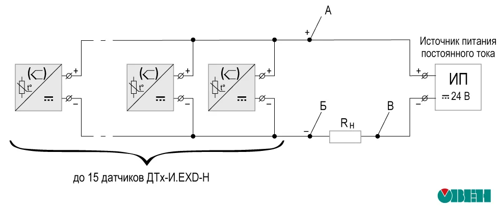
В системе с применением интерфейса HART возможно использование до 15 датчиков, подключенных параллельно. При этом связь HART-коммуникатора или ПК с HART-модемом выполняется к точкам АБ или БВ (см. инструкцию по подключению на конкретный HART-модем или HART-коммуникатор).

Протокол HART обладает следующими плюсами:
· Элементарная настройка и техническое обслуживание приборов с поддержкой HART.
· Сопоставимость с простыми аналоговыми полевыми устройствами и датчиками.
· Открытый стандарт, доступный любому изготовителю оборудования прибора.
· Высокая помехоустойчивость.
Основным минусом HART считается то, что улучшения протокола могут производиться только в области программного обеспечения, а не в аппаратной части протокола. Таким образом, на сегодняшний день HART считается медленной технологией по отношению к прочим протоколам и системами связи.
HART – распространенный протокол в промышленности для улучшения токовой петли 4...20 мА до способности цифровой передачи. Применение данной технологии стремительно растет, и уже многие оценили достоинства интеллектуального оборудования. Протокол дает возможность транслировать одновременно аналоговый и цифровой сигнал по одной и той же паре проводов. При этом остается абсолютная совместимость и безопасность имеющихся аналоговых линий 4…20 мА.

Зачем нужен HART-протокол
Цифровая часть сигнала совершенно не воздействует на аналоговый выход датчика, – она попросту отфильтровывается (см. график).

Элементарные системы датчиков обычно передают аналоговое значение посредством токовой петли. Данная технологическая переменная обычно сопряжена с измеряемым параметром датчика, таким как температура или давление, который передается аналоговым сигналом 4...20 мА. Такого рода аналоговый сигнал может быть передан по проводу протяженностью в несколько километров, до тех пор, пока не достигнет аналоговой интерфейсной схемы, регистрирующей снижение потенциала на шунтирующем резисторе, чтобы преобразовать переданное значение сигнала датчика.
При передаче одного значения всё прекрасно функционирует. Но что, если необходимо отсылать больше сведений по двум проводам? Это станет возможно при применении датчика с HART-протоколом.
Датчик с HART-протоколом – что это?
Датчик с протоколом HART – это обыкновенный токовый датчик, у которого вдобавок токовый выход промодулирован 1200/2200 Гц. По основному токовому выходу осуществляется передача ключевого параметра (к примеру, у датчика температуры – это температура). А в данных HART могут следовать другие данные. В случае с датчиком температуры это может быть, к примеру, температура сенсора.
Прочитывать токовый выход можно на любом контроллере токового сигнала, а для выхода HART следует знать, какие характеристики станут передаваться с поддержкой HART-модема, и токовый вход модуля.
Выходной параметр в сигнале 4…20 мА примет любой контроллер или модуль, способный функционировать с токовым сигналом. Если HART необходим регулярно, в таком случае необходимо искать контроллер с поддержкой HART. Если же речь идет про нерегулярную настройку устройств, то стандартное подключение к контроллеру осуществляется по петле 4…20 мА, но следует иметь при себе HART-коммуникатор, который подключается к данной петле, и согласно этому самому HART дает возможность контактировать с датчиком. Приём сигнала о параметре и настройка датчика осуществляется с помощью HART-модема (например, ноутбук с HART-модемом) или HART-коммуникатора.
Как правило, аналоговые или цифровые вторичные приборы могут только лишь измерять и отображать входной сигнал от датчика, но не уведомляют о его состоянии. HART-коммуникатор способен не только показывать определяемый параметр, но и демонстрировать статус устройства, а также выводить диагностические предупреждения измеряемых величин:
· Ток на выходе датчика, как в миллиамперах, так и в процентах.
· Изменять основные характеристики конфигурирования.
· Данные об изготовителе.
Подключение устройств и плюсы протокола HART
Как HART-коммуникатор распознает, с каким типом датчика он функционирует, и как данный датчик настраивать? Для этого в коммуникаторе имеется база драйверов совместимых устройств. При подсоединении к устройству HART передающий механизм распознает и загружает из собственной базы нужный драйвер прибора.

В системе с применением интерфейса HART возможно использование до 15 датчиков, подключенных параллельно. При этом связь HART-коммуникатора или ПК с HART-модемом выполняется к точкам АБ или БВ (см. инструкцию по подключению на конкретный HART-модем или HART-коммуникатор).

Протокол HART обладает следующими плюсами:
· Элементарная настройка и техническое обслуживание приборов с поддержкой HART.
· Сопоставимость с простыми аналоговыми полевыми устройствами и датчиками.
· Открытый стандарт, доступный любому изготовителю оборудования прибора.
· Высокая помехоустойчивость.
Основным минусом HART считается то, что улучшения протокола могут производиться только в области программного обеспечения, а не в аппаратной части протокола. Таким образом, на сегодняшний день HART считается медленной технологией по отношению к прочим протоколам и системами связи.
Автор статьи: Кожарина Анастасия.Раздел: КИПиА
Случайная статья: Протоколы передачи данных