Запуск ЭД по схеме «звезда-треугольник»
14 авг 2021 в 21:27
Невозможно представить современное производство без активного применения асинхронных электродвигателей мощного класса. При их включении пусковой ток имеет тенденцию превышать номинальный уровень в 3-8 раз. Именно такое значение тока необходимо для запуска вращения ротора из статичного состояния, и оно требует больше электроэнергии, чем для поддержания вращения на определенной частоте.
Вместе с тем высокий пусковой ток содержит в себе определенные риски. Он может спровоцировать снижение напряжения в электросети и другие неприятности - от мерцания света до проблем с работой прочего подключенного оборудования. В ряде случаев это может сопровождаться значимыми материальными потерями, например, брак на производстве вследствие падения напряжения. Кроме того, высокий пусковой ток может вызвать тепловые перегрузки электродвигателя, ускорять износ и повреждения изоляции, и даже привести к возгоранию.
Именно поэтому важно разработать эффективные методы снижения пусковых токов. Метод с применением схемы "звезда-треугольник" считается одним из таких.
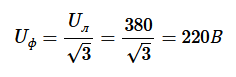
Разберем принципы "звезда" и "треугольник", часто используемые при подключении трехфазных электродвигателей. При схеме "звезда" концы обмоток статора сходятся в одной точке - нейтральной или нулевой, а напряжение подается к началам обмоток. С таким подключением напряжение между двумя фазами превосходит напряжение между фазой и нейтралью в корень из трех раз.
При схеме "треугольник" обмотки статора соединяются последовательно, и напряжение между двумя проводами равно напряжению фазы. Однако линейный ток в данном случае превышает фазный, также в корень из трех раз.

При соединении обмоток статора «звездой», соотношение между линейным и фазным напряжениями выражается формулой:
Uл=Uф*√3
где:
Uл — напряжение между двумя фазами;
Uф — напряжение между фазой и нейтральным проводом;
Значения линейного и фазного токов совпадают, т. е. Iл = Iф.
При подключении обмоток по схеме "звезда" происходит значительное снижение линейного тока - именно к этому мы и стремились. Однако здесь есть важный момент: стартовый момент двигателя прямо зависит от фазного напряжения. При использовании конфигурации "треугольник" напряжение фазы равно линейному напряжению между парой проводов: Uл = Uф.

Однако ток в линии (сети) больше, чем ток в фазе, что описывается формулой:
Iл=Iф*√3
где:
Iл — линейный ток;
Iф — фазный ток.
Получается, что соединяя обмотки «звездой», мы уменьшаем линейный ток, чего изначально и добивались. Но есть и обратная сторона этой схемы: как мы видим из формулы, пусковой момент двигателя прямо пропорционален фазному напряжению:

где:
U — фазное напряжение обмотки статора;
r1 — активное сопротивление фазы обмотки статора
r2 — приведенное значение активного сопротивления фазы обмотки ротора;
x1 — индуктивное сопротивление фазы обмотки статора;
x2 — приведенное значение индуктивного сопротивления фазы обмотки неподвижного ротора;
m — количество фаз;
p — число пар полюсов.
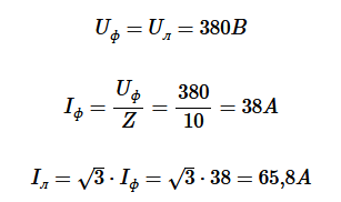
Для понимания принципа работы схемы «звезда-треугольник» рассмотрим пример. Допустим, обмотка асинхронного двигателя работает по принципу «треугольник» при напряжении сети 380 В, а сопротивление обмоток 10 Ом:

Фазный ток равен линейному току и равен:

После того, как двигатель разогнался, обмотки переключают с «звезды» на «треугольник», что увеличивает ток и напряжение:

Таким образом, при старте двигателя по схеме "звезда", фазное напряжение в √3 раза ниже линейного, в то время как по схеме "треугольник" - они совпадают. Из этого следует, что стартовый момент при использовании схемы "звезда" ощутимо слабее. Запустив двигатель таким образом, мы сталкиваемся с проблемой - не можем достичь его номинальной мощности, решив одну проблему, мы создаем другую. Тем не менее, есть решение: нужно подключить оба варианта таким образом, чтобы при запуске мощного двигателя не было сильного тока, а при переходе двигателя в требуемый режим работы происходило переключение на схему "треугольник". Это позволит двигателю работать под полной нагрузкой без каких-либо проблем.
Один из инструментов, который выполняет эту задачу, - это временное реле Finder 80.82. С его помощью можно управлять переключением между двумя схемами: при подаче питания на реле немедленно замыкается контакт "звезда". Как только двигатель достигает установленной скорости вращения, контакт "звезда" открывается, а контакт "треугольник" замыкается. Это состояние сохраняется до тех пор, пока реле питается напряжением.

Такая схема наиболее эффективна для двигателей, на маркировке которых указано «Δ/Y 380/660В». В таких случаях используются три электромагнитных пускателя.

Что касается управления переключением со схемы «звезда» на схему «треугольник», здесь снова на помощь приходит реле Finder 80.82.

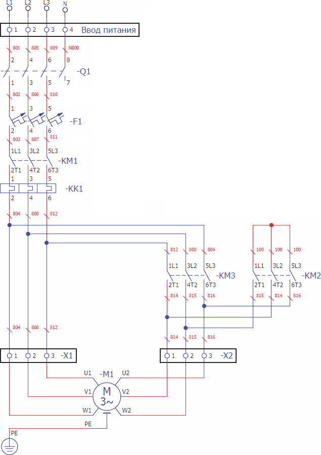
Разберем алгоритм работы данной схемы:
После нажатия кнопки S1.1, запитывается катушка пускателя КМ1, в результате чего, замыкаются силовые контакты КМ1 и при помощи дополнительного контакта КМ1.1 реализуется самоподхват пускателя. Одновременно подается напряжение на реле времени U1. Замыкаются контакты реле времени 17-18 и включается пускатель КМ2. Таким образом, происходит запуск двигателя по схеме «звезда». По истечении времени Т (см. Рисунок 3), контакт реле времени 17-18 мгновенно разомкнется, пройдет задержка времени Tu, и замкнется контакт 17-28. Вследствие чего, сработает пускатель КМ3, который осуществляет переключение на схему «треугольник». Нормально замкнутые контакты пускателей КМ2.2 и КМ3.2 используется для предотвращения одновременного включения пускателей КМ2 и КМ3. Чтобы защитить двигатель от перегрузки, в силовой цепи установлено тепловое реле КК1. В случае перегрузки, тепловое реле разомкнет силовую цепь и цепь управления через контакт КК1.1. Остановка двигателя происходит при нажатии кнопки S1.2, которая разрывает цепь самоподхвата и обесточит катушку пускателя КМ1.
Таким образом, если вам нужно упростить процесс запуска мощного электродвигателя, рекомендуется начать с использования схемы "звезда", которая помогает снизить стартовые токи и предотвращает снижение напряжения в электросети. Однако стоит учесть, что при использовании этой схемы двигатель не сможет функционировать с максимальной мощностью. Чтобы перейти в режим номинальной мощности, необходимо переключить на схему "треугольник". Для этой цели прекрасно подойдет временное реле Finder 80.82.
Невозможно представить современное производство без активного применения асинхронных электродвигателей мощного класса. При их включении пусковой ток имеет тенденцию превышать номинальный уровень в 3-8 раз. Именно такое значение тока необходимо для запуска вращения ротора из статичного состояния, и оно требует больше электроэнергии, чем для поддержания вращения на определенной частоте.
Вместе с тем высокий пусковой ток содержит в себе определенные риски. Он может спровоцировать снижение напряжения в электросети и другие неприятности - от мерцания света до проблем с работой прочего подключенного оборудования. В ряде случаев это может сопровождаться значимыми материальными потерями, например, брак на производстве вследствие падения напряжения. Кроме того, высокий пусковой ток может вызвать тепловые перегрузки электродвигателя, ускорять износ и повреждения изоляции, и даже привести к возгоранию.
Именно поэтому важно разработать эффективные методы снижения пусковых токов. Метод с применением схемы "звезда-треугольник" считается одним из таких.
Разберем принципы "звезда" и "треугольник", часто используемые при подключении трехфазных электродвигателей. При схеме "звезда" концы обмоток статора сходятся в одной точке - нейтральной или нулевой, а напряжение подается к началам обмоток. С таким подключением напряжение между двумя фазами превосходит напряжение между фазой и нейтралью в корень из трех раз.
При схеме "треугольник" обмотки статора соединяются последовательно, и напряжение между двумя проводами равно напряжению фазы. Однако линейный ток в данном случае превышает фазный, также в корень из трех раз.

При соединении обмоток статора «звездой», соотношение между линейным и фазным напряжениями выражается формулой:
Uл=Uф*√3
где:
Uл — напряжение между двумя фазами;
Uф — напряжение между фазой и нейтральным проводом;
Значения линейного и фазного токов совпадают, т. е. Iл = Iф.
При подключении обмоток по схеме "звезда" происходит значительное снижение линейного тока - именно к этому мы и стремились. Однако здесь есть важный момент: стартовый момент двигателя прямо зависит от фазного напряжения. При использовании конфигурации "треугольник" напряжение фазы равно линейному напряжению между парой проводов: Uл = Uф.

Однако ток в линии (сети) больше, чем ток в фазе, что описывается формулой:
Iл=Iф*√3
где:
Iл — линейный ток;
Iф — фазный ток.
Получается, что соединяя обмотки «звездой», мы уменьшаем линейный ток, чего изначально и добивались. Но есть и обратная сторона этой схемы: как мы видим из формулы, пусковой момент двигателя прямо пропорционален фазному напряжению:

где:
U — фазное напряжение обмотки статора;
r1 — активное сопротивление фазы обмотки статора
r2 — приведенное значение активного сопротивления фазы обмотки ротора;
x1 — индуктивное сопротивление фазы обмотки статора;
x2 — приведенное значение индуктивного сопротивления фазы обмотки неподвижного ротора;
m — количество фаз;
p — число пар полюсов.
Для понимания принципа работы схемы «звезда-треугольник» рассмотрим пример. Допустим, обмотка асинхронного двигателя работает по принципу «треугольник» при напряжении сети 380 В, а сопротивление обмоток 10 Ом:

Фазный ток равен линейному току и равен:

После того, как двигатель разогнался, обмотки переключают с «звезды» на «треугольник», что увеличивает ток и напряжение:

Таким образом, при старте двигателя по схеме "звезда", фазное напряжение в √3 раза ниже линейного, в то время как по схеме "треугольник" - они совпадают. Из этого следует, что стартовый момент при использовании схемы "звезда" ощутимо слабее. Запустив двигатель таким образом, мы сталкиваемся с проблемой - не можем достичь его номинальной мощности, решив одну проблему, мы создаем другую. Тем не менее, есть решение: нужно подключить оба варианта таким образом, чтобы при запуске мощного двигателя не было сильного тока, а при переходе двигателя в требуемый режим работы происходило переключение на схему "треугольник". Это позволит двигателю работать под полной нагрузкой без каких-либо проблем.
Один из инструментов, который выполняет эту задачу, - это временное реле Finder 80.82. С его помощью можно управлять переключением между двумя схемами: при подаче питания на реле немедленно замыкается контакт "звезда". Как только двигатель достигает установленной скорости вращения, контакт "звезда" открывается, а контакт "треугольник" замыкается. Это состояние сохраняется до тех пор, пока реле питается напряжением.

Такая схема наиболее эффективна для двигателей, на маркировке которых указано «Δ/Y 380/660В». В таких случаях используются три электромагнитных пускателя.

Что касается управления переключением со схемы «звезда» на схему «треугольник», здесь снова на помощь приходит реле Finder 80.82.

Разберем алгоритм работы данной схемы:
После нажатия кнопки S1.1, запитывается катушка пускателя КМ1, в результате чего, замыкаются силовые контакты КМ1 и при помощи дополнительного контакта КМ1.1 реализуется самоподхват пускателя. Одновременно подается напряжение на реле времени U1. Замыкаются контакты реле времени 17-18 и включается пускатель КМ2. Таким образом, происходит запуск двигателя по схеме «звезда». По истечении времени Т (см. Рисунок 3), контакт реле времени 17-18 мгновенно разомкнется, пройдет задержка времени Tu, и замкнется контакт 17-28. Вследствие чего, сработает пускатель КМ3, который осуществляет переключение на схему «треугольник». Нормально замкнутые контакты пускателей КМ2.2 и КМ3.2 используется для предотвращения одновременного включения пускателей КМ2 и КМ3. Чтобы защитить двигатель от перегрузки, в силовой цепи установлено тепловое реле КК1. В случае перегрузки, тепловое реле разомкнет силовую цепь и цепь управления через контакт КК1.1. Остановка двигателя происходит при нажатии кнопки S1.2, которая разрывает цепь самоподхвата и обесточит катушку пускателя КМ1.
Таким образом, если вам нужно упростить процесс запуска мощного электродвигателя, рекомендуется начать с использования схемы "звезда", которая помогает снизить стартовые токи и предотвращает снижение напряжения в электросети. Однако стоит учесть, что при использовании этой схемы двигатель не сможет функционировать с максимальной мощностью. Чтобы перейти в режим номинальной мощности, необходимо переключить на схему "треугольник". Для этой цели прекрасно подойдет временное реле Finder 80.82.
Раздел: Электрика
Случайная статья: Электропроводка в стальных и пластмассовых трубах