Измерения и испытания cиловых трансформаторов
25 июн 2021 в 23:38
Главная цель и задача тестирования и настройки силовых трансформаторов – это своевременное выявление дефектов, определение их работоспособности и, как следствие, предотвращение возможных аварий. Испытания дают возможность оценить готовность силового трансформатора к работе как части надежной, безопасной и производительной системы электроснабжения.
Какие испытания проводятся для силовых трансформаторов
Появление неисправности возможно во время транспортировки к месту монтажа нового или отремонтированного трансформатора.
Виды испытаний силового трансформатора:
* Предупредительные испытания текущего оборудования, которые помогают выявить потенциальные дефекты для своевременного ремонта и предотвращения нештатной ситуации, проводят по установленному графику, между капитальными ремонтами.
* Послеремонтные тесты трансформатора позволяют установить, насколько рабочие характеристики оборудования удовлетворительны. Эти тесты проводятся после капитального ремонта.
Перечень основных проверок, измерений и испытаний силовых трансформаторов
Среди основных проверок, измерений и испытаний силовых трансформаторов следует выделить следующие:
* Измерение сопротивления и качества изоляции обмоток, проверка сопротивления с использованием мегомметра.
* Проверка трансформатора на диэлектрические потери, измерение тангенса угла потерь (tgδ).
* Проверка качества трансформаторного масла перед тестированием электрической прочности и состояния изоляции обмоток.
* Определение коэффициента трансформации и групп соединения обмоток.
* Измерение тока короткого замыкания и потерь холостого хода.
* Тестирование обмоток постоянным током.
* Проверка функционирования РПН и ПБВ.
Условия и нормы проведения измерения и испытаний
Эти испытания должны проводиться в нормальных погодных условиях, при влажности воздуха не более 90%. Температура изоляции должна быть в пределах +5 – 10 градусов. При экстренной демонтаже трансформатора 35 КВ для срочного ремонта допускается большее отклонение температуры. Эти пробы проводятся не менее чем через 12 часов после добавления масла в трансформатор.
Все вышеуказанные испытания разрешается проводить только после подтверждения качества жидкого диэлектрика подтверждающим документом. Рекомендуемая прочность масла на пробой – 80 – 100 кВ/см.
Проверяемые при запуске трансформатора параметры являются либо его паспортными данными, либо результатами заводских испытаний.
Результатами, которые получены в ходе текущей проверки руководствуются при последующих выводах оборудования на капремонт или в процессе работы трансформатора. Отклонение от полученных параметров свидетельствует о степени серьезности будущего ремонта.
Измерение сопротивления изоляции
Одним из тестов является проверка сопротивления изоляции с помощью мегомметра, предваряющая высоковольтные испытания. Оно проводится для проверки целостности изоляции, отсутствия замыканий на землю, проверки величины сопротивления и определения коэффициента поглощения, с целью принятия решения о необходимости просушки оборудования.
Для измерения берется мегомметр на предел напряжения 2500В, например, марки Е6-24, с его помощь возможен замер изоляции и определение коэффициента абсорбции.
Важно: испытания силового трансформатора мегомметром разрешено выполнять только вдвоем. Проверяющий с группой допуска по электробезопасности IV, помощник с гр. III.
Измерение коэффициента абсорбции
Измерения выполняется мегомметром, данные фиксируются через 15 сек (R15) и через 60 секунд (R60) после начала проверки.
Отношение вторичного результата к первичному (R60/R15), которое является коэффициентом, не определяется точными нормами. Допустимая величина коэффициента – 1,2. Верхний предел коэффициента – без ограничений.
Порядок измерения коэффициента абсорбции
1. Перед измерением, вывода обмотки заземляются на 2 мин.
2. Между двумя измерениями вывода для стекания тока заземляют на 5 минут.
3. Во время проверки сопротивления обмоток одного напряжения замер проводится одновременно закорачиванием шпилек выводов.
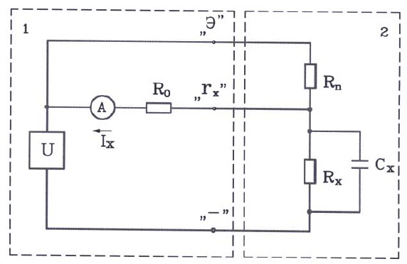
Измерение сопротивления изоляции обмоток

Рис. №1. Схема подключения и измерения мегаомметром. 1 – прибор; 2 – измеряемый объект.
Особенности измерения изоляции мегаомметром первичной и вторичной обмотки
Измерение изоляции обмотки высокого напряжения
Применяется мегомметр с пределом измерения на напряжение 2500 В.
Напряжение прикладывается к закороченным и заземленными выводами вторичной обмотки. Между первичной обмоткой и «землей» трансформатора.
Полученное значение сопротивление не менее 1000 МОм.
Измерение изоляции обмотки низкого напряжения
Для проверки берут мегомметр на 1000 В.
Сопротивление измеряется между вторичной обмоткой и закороченной первичной обмоткой замкнутой на бак трансформатора.
Результат – R больше или равен 1000 МОм.
Контроль изоляции во время эксплуатации трансформатора допускает 15% погрешности. Для измерения абсорбции применяют мегаомметры с погрешностью не более 10%. Проверка производится однотипными приборами, чтобы избежать расхождения в показателях.
Одна из распространенных ошибок при измерении – это возникновение погрешности из-за остаточного заряда емкости. Необходимо перед каждым измерением дать стечь емкостному абсорбированному току, для этого на 5 минут закорачивают и заземляют на корпус вывод трансформатора.
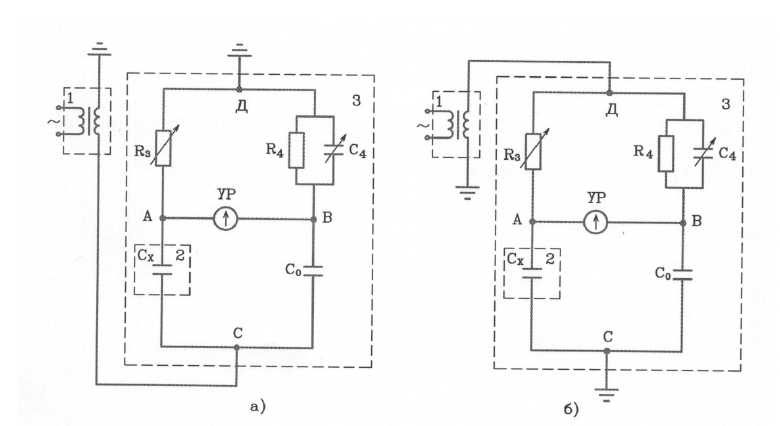
Измерения тангенса угла диэлектрических потерь
Проверка силового трансформатора на диэлектрические потери, измерение тангенса угла (tgδ) выполняется выпрямительными мостами переменного тока Р5026, МД-16, Р595 по прямой нормальной схеме с электродами изолированными от земли. Эта схема является более точной. Вторая схема измерения является перевернутой (обратной) несмотря на то, что перевернутая схема менее точная для проверки оборудовании вводов и трансформаторов используют ее. Один из электродов должен быть обязательно заземлен.

Рис. №2. Прямая (а) и обратная (б) принципиальная мостовая схема измерения тангенса угла диэлектрических потерь
Существует ряд приборов современного типа, например СА7100-2 или Тангенс 2000.
Измерение проводится при температуре окружающего воздуха от +10 градусов.
Чем выше показатель тангенса угла, тем выше потери и хуже состояние изоляции.
По правилам ПУЭ измерение диэлектрических потерь для трансформаторов мощностью до 1600 кВА не обязательно.
Измерение сопротивлений обмоток постоянному току
Испытание силового трансформатора постоянным током выполняется с помощью специальных установок узкоспециализированного действия. К ним относится выпрямительный мост постоянного тока типа P333. Это могут быть современные установки аналогичного действия с классом точности не ниже 0,5. Например, миллиомметр МИКО-7 с базовым программным обеспечением или измерительный стенд для электромагнитных испытаний силовых трансформаторов СЭИТ-3.
Установка состоит из регулятора и выпрямителя, приборов контроля и измерения, средств защиты.
Выполняют два вида измерений обмоток:
* Оборудование с нулевым выводом – проверяются фазные сопротивления.
* Без нулевого вывода – сопротивления обмоток между линейными выводами.
Измеренный результат должен совпадать с паспортным или отличаться на ±10%. Различие результатов свидетельствует о внутреннем повреждении.
Испытание потерь и тока холостого хода
Измерение гармонического состава тока холостого хода (ХХ) проверяется после подачи на обмотку НН напряжения 220 В. Опыт ХХ выполняется при напряжении номинальной величины синусоидальной формы.

Рис. №3. Схема опытов холостого хода трехфазного трансформатора
Производится три последовательных опыта ХХ поочередным замыканием каждой из трех фаз и возбуждением двух других фаз. Линейный ток и его гармоники должны быть симметричными.
Для проверки используют измерительный комплект К540 или другим аналогичным анализатором спектра низкой частоты.
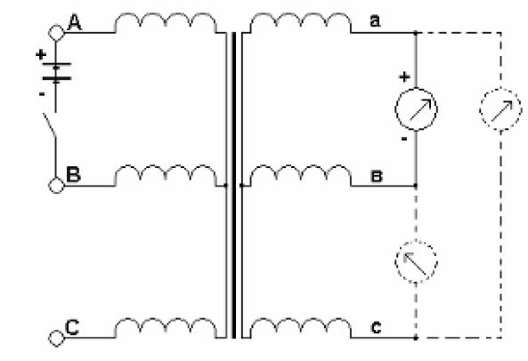
Проверка коэффициента трансформации
Измерение выполняется на всех ступенях и ответвлениях обмотки.
Проверка производится методом двух вольтметров замером напряжения одновременно между обмотками НН и ВН.

Рис. №4. Схема проверки коэффициента трансформации
Важно. Для предотвращения ошибок контроль напряжения проводят одновременно на обоих приборах. Учитываются колебания сети напряжения 220 В. Значение Ктр одной фазы не должно отличаться более 2% от других фаз.
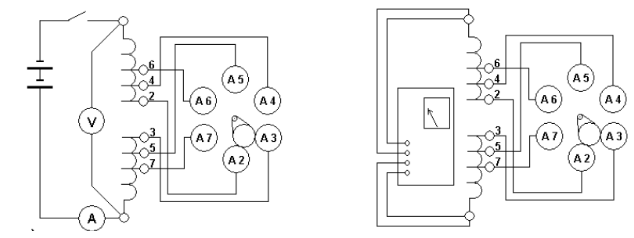
Проверка групп соединений обмоток
Идентичность групп соединений обмоток нужна для последующего введения трансформатора в параллельную работу.
Проверка выполняется только когда неизвестны паспортные данные или трансформатор после ремонта.
Проверяют с помощью подключения гальванометра с градуировкой, где ноль находится посередине шкалы и табличными значениями отклонений в градусах.

Рис. №5. Схема определения групп соединений обмоток
Совпадение выводов означает максимальное отклонение стрелки гальванометра.
После проверки выполняют обработку полученных данных и вычисляют результаты.
Таблица 1 - Определение групп соединений обмоток

Контрольная проверка работы переключающего устройства ответвлений обмоток трансформатора
Определить правильно или нет работает смонтированное переключающее устройство можно с помощью измерения сопротивления постоянному току обмоток, которая регулируется. Контроль производится на всех положениях после проверки коэффициента трансформации.

Рис. №6. Схема проверки переключающего устройства 1 – методом падения напряжения; 2 – мостовым методом
О правильности монтажа свидетельствует наличие самого большого сопротивления в положении №1 с последующим уменьшением значения при переключении на другие положения.
Равное сопротивление между фазами трансформатора свидетельствуют о правильной сборке ПБВ для трехфазного оборудования.
Измерение сопротивления току короткого замыкания
Для проверки используется специальный измерительный комплект. Проверка выполняется возбуждением обмотки с высокой стороны трехфазным напряжением 380 В. Измерение производится по приборной шкале с занесением в журнал проверок. Обязательно сравнение тока КЗ с заводскими показателями или паспортными данными. Это необходимо для проверки степени эксплуатационной стойкости изоляции обмотки короткому замыканию.
Периодичность испытания силового трансформатора
Согласно нормам, изоляционные обмотки трансформатора должны проверяться ежегодно. Остальные компоненты, такие как шпильки, бандажи и другие элементы конструкции, должны проверяться каждые 4 года. Коэффициент трансформации подтверждается на соответствие заявленному значению каждые 6 лет. Сухие трансформаторы испытываются каждые 6 лет.
Для определения работоспособности трансформатора, регулярно, раз в год, проводится отбор проб трансформаторного масла для проведения испытаний. В зависимости от результатов эксплуатационных испытаний трансформаторного масла принимается решение о необходимости полной проверки трансформатора.
Уровень влаги играет важную роль в определении состояния трансформатора. Во время длительной эксплуатации влага, в сочетании со старением бумажно-масляной изоляции или вследствие нарушения герметичности, может повысить вероятность пробоя изоляции и ускорить ее старение. Определение уровня влажности позволяет регулировать периодичность технического обслуживания.
После проведения ремонта или новой установки трансформатора, испытания служат гарантом надежности оборудования, которое является важным компонентом системы электроснабжения потребителей и обеспечивает безотказность электрической схемы.
Главная цель и задача тестирования и настройки силовых трансформаторов – это своевременное выявление дефектов, определение их работоспособности и, как следствие, предотвращение возможных аварий. Испытания дают возможность оценить готовность силового трансформатора к работе как части надежной, безопасной и производительной системы электроснабжения.
Какие испытания проводятся для силовых трансформаторов
Появление неисправности возможно во время транспортировки к месту монтажа нового или отремонтированного трансформатора.
Виды испытаний силового трансформатора:
* Предупредительные испытания текущего оборудования, которые помогают выявить потенциальные дефекты для своевременного ремонта и предотвращения нештатной ситуации, проводят по установленному графику, между капитальными ремонтами.
* Послеремонтные тесты трансформатора позволяют установить, насколько рабочие характеристики оборудования удовлетворительны. Эти тесты проводятся после капитального ремонта.
Перечень основных проверок, измерений и испытаний силовых трансформаторов
Среди основных проверок, измерений и испытаний силовых трансформаторов следует выделить следующие:
* Измерение сопротивления и качества изоляции обмоток, проверка сопротивления с использованием мегомметра.
* Проверка трансформатора на диэлектрические потери, измерение тангенса угла потерь (tgδ).
* Проверка качества трансформаторного масла перед тестированием электрической прочности и состояния изоляции обмоток.
* Определение коэффициента трансформации и групп соединения обмоток.
* Измерение тока короткого замыкания и потерь холостого хода.
* Тестирование обмоток постоянным током.
* Проверка функционирования РПН и ПБВ.
Условия и нормы проведения измерения и испытаний
Эти испытания должны проводиться в нормальных погодных условиях, при влажности воздуха не более 90%. Температура изоляции должна быть в пределах +5 – 10 градусов. При экстренной демонтаже трансформатора 35 КВ для срочного ремонта допускается большее отклонение температуры. Эти пробы проводятся не менее чем через 12 часов после добавления масла в трансформатор.
Все вышеуказанные испытания разрешается проводить только после подтверждения качества жидкого диэлектрика подтверждающим документом. Рекомендуемая прочность масла на пробой – 80 – 100 кВ/см.
Проверяемые при запуске трансформатора параметры являются либо его паспортными данными, либо результатами заводских испытаний.
Результатами, которые получены в ходе текущей проверки руководствуются при последующих выводах оборудования на капремонт или в процессе работы трансформатора. Отклонение от полученных параметров свидетельствует о степени серьезности будущего ремонта.
Измерение сопротивления изоляции
Одним из тестов является проверка сопротивления изоляции с помощью мегомметра, предваряющая высоковольтные испытания. Оно проводится для проверки целостности изоляции, отсутствия замыканий на землю, проверки величины сопротивления и определения коэффициента поглощения, с целью принятия решения о необходимости просушки оборудования.
Для измерения берется мегомметр на предел напряжения 2500В, например, марки Е6-24, с его помощь возможен замер изоляции и определение коэффициента абсорбции.
Важно: испытания силового трансформатора мегомметром разрешено выполнять только вдвоем. Проверяющий с группой допуска по электробезопасности IV, помощник с гр. III.
Измерение коэффициента абсорбции
Измерения выполняется мегомметром, данные фиксируются через 15 сек (R15) и через 60 секунд (R60) после начала проверки.
Отношение вторичного результата к первичному (R60/R15), которое является коэффициентом, не определяется точными нормами. Допустимая величина коэффициента – 1,2. Верхний предел коэффициента – без ограничений.
Порядок измерения коэффициента абсорбции
1. Перед измерением, вывода обмотки заземляются на 2 мин.
2. Между двумя измерениями вывода для стекания тока заземляют на 5 минут.
3. Во время проверки сопротивления обмоток одного напряжения замер проводится одновременно закорачиванием шпилек выводов.
Измерение сопротивления изоляции обмоток

Рис. №1. Схема подключения и измерения мегаомметром. 1 – прибор; 2 – измеряемый объект.
Особенности измерения изоляции мегаомметром первичной и вторичной обмотки
Измерение изоляции обмотки высокого напряжения
Применяется мегомметр с пределом измерения на напряжение 2500 В.
Напряжение прикладывается к закороченным и заземленными выводами вторичной обмотки. Между первичной обмоткой и «землей» трансформатора.
Полученное значение сопротивление не менее 1000 МОм.
Измерение изоляции обмотки низкого напряжения
Для проверки берут мегомметр на 1000 В.
Сопротивление измеряется между вторичной обмоткой и закороченной первичной обмоткой замкнутой на бак трансформатора.
Результат – R больше или равен 1000 МОм.
Контроль изоляции во время эксплуатации трансформатора допускает 15% погрешности. Для измерения абсорбции применяют мегаомметры с погрешностью не более 10%. Проверка производится однотипными приборами, чтобы избежать расхождения в показателях.
Одна из распространенных ошибок при измерении – это возникновение погрешности из-за остаточного заряда емкости. Необходимо перед каждым измерением дать стечь емкостному абсорбированному току, для этого на 5 минут закорачивают и заземляют на корпус вывод трансформатора.
Измерения тангенса угла диэлектрических потерь
Проверка силового трансформатора на диэлектрические потери, измерение тангенса угла (tgδ) выполняется выпрямительными мостами переменного тока Р5026, МД-16, Р595 по прямой нормальной схеме с электродами изолированными от земли. Эта схема является более точной. Вторая схема измерения является перевернутой (обратной) несмотря на то, что перевернутая схема менее точная для проверки оборудовании вводов и трансформаторов используют ее. Один из электродов должен быть обязательно заземлен.

Рис. №2. Прямая (а) и обратная (б) принципиальная мостовая схема измерения тангенса угла диэлектрических потерь
Существует ряд приборов современного типа, например СА7100-2 или Тангенс 2000.
Измерение проводится при температуре окружающего воздуха от +10 градусов.
Чем выше показатель тангенса угла, тем выше потери и хуже состояние изоляции.
По правилам ПУЭ измерение диэлектрических потерь для трансформаторов мощностью до 1600 кВА не обязательно.
Измерение сопротивлений обмоток постоянному току
Испытание силового трансформатора постоянным током выполняется с помощью специальных установок узкоспециализированного действия. К ним относится выпрямительный мост постоянного тока типа P333. Это могут быть современные установки аналогичного действия с классом точности не ниже 0,5. Например, миллиомметр МИКО-7 с базовым программным обеспечением или измерительный стенд для электромагнитных испытаний силовых трансформаторов СЭИТ-3.
Установка состоит из регулятора и выпрямителя, приборов контроля и измерения, средств защиты.
Выполняют два вида измерений обмоток:
* Оборудование с нулевым выводом – проверяются фазные сопротивления.
* Без нулевого вывода – сопротивления обмоток между линейными выводами.
Измеренный результат должен совпадать с паспортным или отличаться на ±10%. Различие результатов свидетельствует о внутреннем повреждении.
Испытание потерь и тока холостого хода
Измерение гармонического состава тока холостого хода (ХХ) проверяется после подачи на обмотку НН напряжения 220 В. Опыт ХХ выполняется при напряжении номинальной величины синусоидальной формы.

Рис. №3. Схема опытов холостого хода трехфазного трансформатора
Производится три последовательных опыта ХХ поочередным замыканием каждой из трех фаз и возбуждением двух других фаз. Линейный ток и его гармоники должны быть симметричными.
Для проверки используют измерительный комплект К540 или другим аналогичным анализатором спектра низкой частоты.
Проверка коэффициента трансформации
Измерение выполняется на всех ступенях и ответвлениях обмотки.
Проверка производится методом двух вольтметров замером напряжения одновременно между обмотками НН и ВН.

Рис. №4. Схема проверки коэффициента трансформации
Важно. Для предотвращения ошибок контроль напряжения проводят одновременно на обоих приборах. Учитываются колебания сети напряжения 220 В. Значение Ктр одной фазы не должно отличаться более 2% от других фаз.
Проверка групп соединений обмоток
Идентичность групп соединений обмоток нужна для последующего введения трансформатора в параллельную работу.
Проверка выполняется только когда неизвестны паспортные данные или трансформатор после ремонта.
Проверяют с помощью подключения гальванометра с градуировкой, где ноль находится посередине шкалы и табличными значениями отклонений в градусах.

Рис. №5. Схема определения групп соединений обмоток
Совпадение выводов означает максимальное отклонение стрелки гальванометра.
После проверки выполняют обработку полученных данных и вычисляют результаты.
Таблица 1 - Определение групп соединений обмоток

Контрольная проверка работы переключающего устройства ответвлений обмоток трансформатора
Определить правильно или нет работает смонтированное переключающее устройство можно с помощью измерения сопротивления постоянному току обмоток, которая регулируется. Контроль производится на всех положениях после проверки коэффициента трансформации.

Рис. №6. Схема проверки переключающего устройства 1 – методом падения напряжения; 2 – мостовым методом
О правильности монтажа свидетельствует наличие самого большого сопротивления в положении №1 с последующим уменьшением значения при переключении на другие положения.
Равное сопротивление между фазами трансформатора свидетельствуют о правильной сборке ПБВ для трехфазного оборудования.
Измерение сопротивления току короткого замыкания
Для проверки используется специальный измерительный комплект. Проверка выполняется возбуждением обмотки с высокой стороны трехфазным напряжением 380 В. Измерение производится по приборной шкале с занесением в журнал проверок. Обязательно сравнение тока КЗ с заводскими показателями или паспортными данными. Это необходимо для проверки степени эксплуатационной стойкости изоляции обмотки короткому замыканию.
Периодичность испытания силового трансформатора
Согласно нормам, изоляционные обмотки трансформатора должны проверяться ежегодно. Остальные компоненты, такие как шпильки, бандажи и другие элементы конструкции, должны проверяться каждые 4 года. Коэффициент трансформации подтверждается на соответствие заявленному значению каждые 6 лет. Сухие трансформаторы испытываются каждые 6 лет.
Для определения работоспособности трансформатора, регулярно, раз в год, проводится отбор проб трансформаторного масла для проведения испытаний. В зависимости от результатов эксплуатационных испытаний трансформаторного масла принимается решение о необходимости полной проверки трансформатора.
Уровень влаги играет важную роль в определении состояния трансформатора. Во время длительной эксплуатации влага, в сочетании со старением бумажно-масляной изоляции или вследствие нарушения герметичности, может повысить вероятность пробоя изоляции и ускорить ее старение. Определение уровня влажности позволяет регулировать периодичность технического обслуживания.
После проведения ремонта или новой установки трансформатора, испытания служат гарантом надежности оборудования, которое является важным компонентом системы электроснабжения потребителей и обеспечивает безотказность электрической схемы.
Раздел: Электрика
Случайная статья: Электропроводка в стальных и пластмассовых трубах